安徽宁国市天目汽车零部件有限公司——汽车零部件生产,生产塑料类产品,端子类产品,温湿振三综合汽车连接器试验仪器,高低温冲击试验箱.
订购热线:+86 19856322213
首页
关于天目
公司简介
荣誉证书
董事长致辞
公司风貌
合作单位
新闻中心
天目动态
行业新闻
视频新闻
财金资讯
员工天地
产品中心
护套类
端子类
线束辅件
保险类
电瓶接头
电器盒
支架
堵盖类
管夹类
定制产品
前后线束支架固定盒
其他
厂区展示
厂房环境
检验设备
研发重点
联系我们
联系方式
在线留言
卡扣系列
您当前的位置:
首页
>
产品中心
>
线束辅件
>
卡扣系列
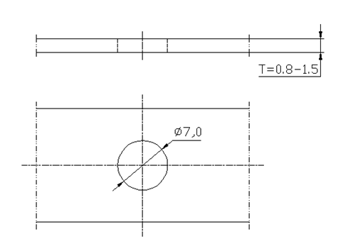
DJT7021-4.8-11-2
作者:本站
发布时间:2016-08-06 09:11:54
浏览:632
上一篇
:
DJ7121-2.0/6.5-4
下一篇
:
DJT7021-4.8-11-3
+86 19856322213